菏泽鲁齐天精馏塔厂家为您提供优质的实验室精馏塔、玻璃精馏塔装置、萃取精馏设备,及专业的价格咨询,厂家直销等服务!
网站地图|XML
咨询服务热线:

18953016185

您当前位置:首页 > 产品与服务 > 化工工艺包开发设计 >
    产品分类

    Product classification

联系我们
菏泽鲁齐天实验仪器设备有限公司
联系人:朱总
手机:18953016185
邮箱:[email protected]
网址:www.pornapetube.com
地址:山东省菏泽市牡丹区西城街道兰州路1666号段庄小学北30米
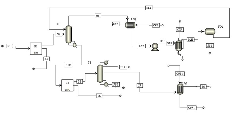
Aspen模拟工艺流程图
  • Aspen模拟工艺流程图
Aspen模拟工艺流程图
  • 扫一扫访问手机站
    1. 鲁齐天公司深耕化工分离提纯领域,专注于精馏塔技术装备;凭借深厚的专业技术底蕴,为客户提供全方位、全流程的优质服务。公司拥有专业的化工设计院,化工实验室,实验设备研发制造车间,工业化装备生产车间。以精馏技术为主,耦合萃取、吸附、共沸、膜分离、反应等化工技术的咨询、模拟计算、分析测试、方案设计、工艺包开发、化工设备设计、塔内件的研发与制造;是一家集科研、设计、制造、服务于一体的专注精馏科技型企业。

发布时间:2025-07-21 17:44:53
浏览人数:1
联系人:朱总
手机:18953016185 邮箱:[email protected]
地址:山东省菏泽市牡丹区西城街道兰州路1666号段庄小学北30米
信息详情
化工工艺包服务,是帮您把化工项目从想法落地到生产的关键助力,提供从概念到工业化的完整技术方案。
核心服务内容
工艺设计:明确生产原理、原料与产品规格,规划工艺步骤,出具详细的工艺流程图(PFD)和管道仪表流程图(PID)。
设备与参数:制定设备清单及数据表,明确各类设备参数,确定各单元操作的关键控制指标。
安全环保:进行安全分析,识别风险并制定控制措施;规划环保方案,确保符合相关标准。
模拟计算:用专业软件模拟流程,提供关键计算书,为设备选型和参数优化提供依据。
服务优势
技术过硬:团队由经验丰富的专家和工程师组成,能应对复杂工艺难题。
量身定制:根据项目特点,从多方面定制专属工艺包,契合实际需求。
全程支持:不仅提供文件,还在项目实施及投产后提供技术支持和优化建议。
无论您是筹备新项目,还是升级现有工艺,我们的化工工艺包服务都能为您保驾护航。
上一篇:T-xy图
下一篇:T-xy图
相关产品
  • 菏泽鲁齐天实验仪器设备有限公司
  • 联系人:朱总

    手机:18953016185

    邮箱:[email protected]

    地址:山东省菏泽市牡丹区西城街道兰州路1666号段庄小学北30米


    扫一扫访问手机站